Skip to content
hasu@tmk edited this page May 27, 2020 · 43 revisions

HP-HIL

https://en.wikipedia.org/wiki/HIL_bus

http://www.hparchive.com/Journals/HPJ-1987-06.pdf

HP-HIL Technical Reference Manual

http://bitsavers.informatik.uni-stuttgart.de/pdf/hp/hp-hil/45918A-90001_HP-HIL_Technical_Reference_Manual_Jan86.pdf

SDL Receptacle

two types of SDL receptacles are used in the HP-HIL system: II A" and liE" keying configurations. To identify the keying of a receptacle, two methods are used. First, the receptacles usually will have an "A" or liE" visible on the outside back or on the inside back (difficult to see when present). Second, the "A" keyed receptacles are now molded in white plastic, while the liE" keyed receptacles are black.

The HP part numbers for the SOL receptacles are as follows:

"A" Keying, White, Female SDL: AMP PIN 1-520192-1
"E" Keying, Black, Female SDL: AMP PIN 5-520791-1 

Interconnection Cable

The pinouts and connections of HP-HIL cables are shown in Figure 2-4. As with the receptacles, the plugs are molded in colors to denote keying. Clear plugs are "All keyed, and correspond to white receptacles. Smoke colored plugs are IIE" keyed and correspond to black receptacles.

https://en.wikipedia.org/wiki/Shielded_data_link_connector

Frame

The command bit distinguishes a command from data. The address field indicates the destination device in a frame sent by the main processor, or the source device in a frame sent by a device. A universal address (000) is used to send a single command to all devices. The a-bit data field contains the opcode for a command, or a bits of data.

HP-HIL communication is a simple asynchronous serial protocol between the main processor and the input device. Information travels asynchronously in the Link in a fixed format called a "frame." Each frame cons ists of 15 bits of information including start, stop, command, parity, address, and data bits. Information packets are transmitted around the Link at the rate of 10 microseconds per bit, or 150 microseconds per frame. The idle state of the Link is a logic "1", with the first bit in a frame (the start bit) at logic "0" and the last bit (the stop bit) at logic "1." The parity bit is computed so that the total number of logic "1" bits in the 15-bit frame (including start, address, command, data, parity, and stop) is odd.

The SLC can receive a new frame every 153 microseconds and transmit a frame every 154 microseconds. This implies a minimum required idle period of 3 microseconds between receiving frames and a minimum of 4 microseconds between sending frames.

HIL Commands

p.4-2

In general, commands are always initiated by the System, although certain commands (described later) may be initiated by a device under the proper conditions. Unless otherwise noted, all commands will by definition be returned to the System (assuming a properly configured Link), preceded by any data reported by the addressed devices. Only one command should be pending on the Link at anyone time; hence the System should always wait for either the command to return or a sufficient period of time so as to indicate that no response is forthcoming before the next transmission. HP-HIL devices are allowed up to 500 microseconds per frame to transmit their response after receiving a command.

Opcode Mnemonic Description
00h IFC Interface Clear
01h EPT Enter Pass-ThruMode
02h ELB Enter Loop-Back Mode
03h IDD Identify and Describe
04h DSR Device Soft Reset
05h PST Perform Self Test
06h RRG Read Register
07h WRG Write Register
08 .. 0Fh ACF Auto Configure
10 .. 1Fh POL Poll
20 .. 2Fh RPL RePoll
30h RNM Report Name
31h RST Report Status
32h EXD Extended Describe
33h RSC Report Security Code
34 .. 3Ch RESERVED FOR FUTURE USE
3Dh DKA Disable Keyswitch AutoRepeat
3Eh EKl Enable Keyswitch AutoRepeat, cursor key repeat rate = 1/30 second *
3Fh EK2 Enable Keyswitch AutoRepeat, cursor key repeat rate = 1/60 second *
40 .. 46h PR1 .. PR7 Prompt 1 •. Prompt 7
47h PRM Prompt (General Purpose)
48 .. 4Eh AK1 .. AK7 Acknowledge 1 .. Acknowledge 7
4Fh ACK Acknowledge (General Purpose)
50 .. 7Fh RESERVED FOR FUTURE USE
80 .. EFh Device-Specific Commands
F0 .. F9h RESERVED FOR FUTURE USE
FAh RIO Register I/O Error
FBh SHR System Hard Reset
FCh TER Transmission Error
FDh CAE Configuration Address Error
FEh DHR Device Hard Reset
FFh RESERVED - Prohibited Opcode

DHR(DEVICE HARD RESET) FEh

This command provides a full reset to attached devices, destroying the Link configuration along with any pending device data. Device Hard Reset is used to return devices to their condition at power-up.

Timeouts: 200 ms (devices must perform self-test).

ACF(AUTO CONFIGURE) 08h

Auto Configure is used to assign unique addresses to each device configured onto the Link, up to the maximum of seven devices.

Timeouts: 10 ms (multiple devices may respond).

Command:

addr cmd data
000 1 08h + 1(first addr)

Response:

addr cmd data
000 0 08h + <incremented addr[0-7]>

In 'Incremented addr': 1 means there is no device, 0 means there are seven devices.

CAE(FDh) is received when there are too many devices on the Link?

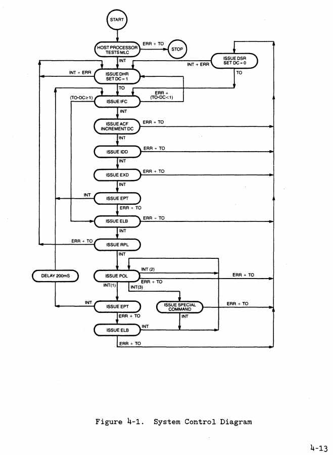
IFC(INTERFACE CLEAR) 00h

The primary function of the command is to clear Power-Up Mode in devices and to verify the Link integrity. Configuration information is not affected by IFC. Upon rece1v1ng the command, each device will clear Power-Up Mode, and retransmit the command as received.

Timeouts: 10 ms (Multiple devices may respond).

IDD(IDENTIFIY AND DESCRIBE) 03h

Identify and Describe is used by the System to determine the type of the attached devices, as well as some general characteristics of these devices required to understand the data they report.

Timeouts: 10 ms (device may respond with data).

Response:

addr cmd data
AAA 0 Device ID
AAA 0 Describe Record (1-10 bytes)
AAA 1 03h

Describe Records:

Describe Record Header
# Counts / cm(m) Low Byte
# Counts / cm(m) High Byte
Maximum Count X-axis Low Byte
Maximum Count X-axis High Byte
Maximum Count Y-axis Low Byte
Maximum Count Y-axis High Byte
Maximum Count Z-axis Low Byte
Maximum Count Z-axis High Byte
I/O Descriptor Byte

Describe Record Header:

bit7: Set if two independ sets of coordinate axes(two joysticks for example)
bit6: Set if data is absolute position
bit5: Set if data is 16-bits/axis
bit4: Set if I/O Descriptor Byte follows(button, proximity detection, prompt/acknowledge)
bit3: Set if 'Extended Describe' is supported
bit2: Sef if 'Report Security Code' is supported
bit1,0: Number of axes

I/O Descriptor Byte:

bit7: Set if the device has Prompt and Acknowlege function
bit6-4: Number of Prompt and Acknowlege function
bit3: Set if the device has Proximity detection
bit2-0: Number of Button

EXD(EXTENDED DESCRIBE) 32h

Extended Describe provides additional information concerning more advanced device features which may not be required for basic operation.

Timeouts: 10ms(device may respond with data).

Response:

addr cmd data
AAA 0 Extended Describe Record (1-6 bytes)
AAA 1 32h

Extended Describe Record:

Extended Describe Record Header
Maximum Read Register Supported
Maximum Write Register Supported
Maximum Write Buffer Length Low Byte
Maximum Write Buffer Length Hight Byte
Localization Code

Extended Describe Record Header:

bit7: Reserved
bit6: Set if Localization Code is supported
bit5: Set if Report Status is suspported
bit4: Set if Report Name is supported
bit3: Reserved
bit2: Set if Read Register is supported
bit1,0: Set if Write Register Type2/1 is supported respectively

EPT(ENTER PASS-THRU MODE) 01h

This allows system to sequentially open up the Link to additional device until the last device on the Link is determined. When the EPT command is not returned, a timeout occurs transferring control to the ELB (Enter Loop-Back Mode) oval.

Once in Pass-Thru Mode, the device retransmits the command to next device downstream on the Link. No response(timeout) cocurs if the last device is already in Pass-Thru mode.

Timeouts: 5ms(Only one deivce will respond).

ELB(ENTER LOOP-BACK MODE) 02h

This is used to "close the end" of the Link, returning the last device on the Link to Loop-Back Mode so that frames may be returned to the System. At the end of the configuration process, the last device should be in Loop-Back Mode, while all others are in Pass-Thru Mode.

In Loop-Back Mode, the device retransmits the command back to the System.

Timeouts: 5ms(Only one deivce will respond).

POL(POLL) 10h

The Poll command is the fundamental means for extracting information from the input devices attached to the Link.

Timeouts: 16 ms (multiple devices may respond).

Command:

addr cmd data
000 1 10h

Response:

addr cmd data
000 0 xxxx xxxx(data)
: : :
000 0 xxxx xxxx(data)
000 1 10h + <num of data[0-15]>

HP-HIL Input Devices

HP-HlL Touch Accessory, HP 35723A. A 12-inch user-installable touchscreen bezel which provides touch interaction with

the host computer. The HP 35723A features a resolution of 43x57 points maximum.

HP-HlL Graphics Tablet, HP4591 1A. An 1 1 x1 1-inch graphics

tablet with 1200-lines-per-inch resolution.

HP-HIL Keyboards, HP 46021A and HP 460304. The HP-HtL

keyboards are generally supplied with the computer for which they were designed (e.9., HP TouchScreen ll, Vectra, and HP 9000 Series 300), These keyboards are available in a wide variety of languages.

HP-HlL Mouse, HP 460604. This mouse simolifies the task of

positioning the cursor on the screen. lt has 200-counts-perinch resolution and two buttons.

HP-HIL Rotary Control Knob, HP 460834. This module provides two-axis relative cursor positioning via a rotary knob and

a toggle key. lt has a resolution of 480 counts per revolution.

HP-HIL Security lD Module, HP 46084A. The lD Module allows

users to run secured application software. lt returns an identification number for identifying the computer user and is used in application programs to control access to program lunctions, data bases, and networks,

HP-HlL Control Dial Module, HP 460854. This module has nine

graphics positioning dials. lt is used in graphics display applications to provide three-axis rotate, translate, scale, and other attribute functions. Each dial has a resolution of 480 counts oer revolution.

HP-HlL 32-Button Box, HP 460864

This box provides 32 userdelinable buttons for menu selection and one user-programmable LED. lt is used in CAD/CAE applications.

HP-HlL Digitizers, HP460874 and HP46088A

Thesedigitizers are for use in interactive graphics, graphics entry, and menu selection applications. Two active area sizes (A or B) are offered. They each have a resolution of 1000 lines per inch. An optional cursor with crosshair is available,

HP-HlL Quadrature Port, HP 460944

This product provides a nine-pin subminiature connector for interfacing quadrature signals to HP-HlL. Three keyswitches are supported.

HP-HlL Bar-Code Reader, HP 929164

This module provides an alternatlve to the keyboard for data entry applications. lt reads UPC/EAN/JAN, interleaved 2-out-o{-5, Codabar (MHI and USD-1), 3-of-9, and extended 3-of-9 codes.

HP 98203C

My HIL Keyboard

https://imgur.com/a/m9ZL4

/* HP 98203C Keyboard Scan codes                                                                                       
 *   https://i.imgur.com/QKqVuQu.jpg                                                                                   
 *                                                                                                                     
 *   Device ID: E0                                                                                                     
 *   Describe Record: 0A(Extended, 2 axes?), 61(X Max?), 0F(Y Max?)                                                    
 *   Extended Describe Record: 40(Read Register), 00(0 register?)                                                      
 *   Poll Record Header: 0x60(Keycode Set 2)                                                                           
 *                                                                                                                     
 *   Keycode Set 2 is device dependent and user  definable. Use the LSB to indicate                                    
 *   the key transition (0 = Down, 1 = Up). 128 keys maximum. (p.E-3):                                                 
 *                                                                                                                     
 *         ,___.___.___.___.___.   ,___.___.   ,___.___.___.         ,___.___.___.___.                                 
 *         `---'---'---'---'---'   `---'---'   `---'---'---'         `---'---'---'---'                                 
 *         ,___.___.___.___.___.   ,___.___.   ,___.___.___.         ,___.___.___.___.                                 
 *         `---'---'---'---'---'   `---'---'   `---'---'---'         `---'---'---'---'                                 
 * ,-------------------------------------------------------. ,-----. ,---------------.                                 
 * |Ctl|  1|  2|  3|  4|  5|  6|  7|  8|  9|  0|  -|  =|Bsp| |PUASE| | E | ( | ) | ^-|                                 
 * |-------------------------------------------------------| |-----| |---------------|                                 
 * |Tab  |  Q|  W|  E|  R|  T|  Y|  U|  I|  O|  P|  [|  ]| | | RUN | |  7|  8|  9| / |                                 
 * |-----------------------------------------------------' | |-----| |---------------|                                 
 * |CapsL |  A|  S|  D|  F|  G|  H|  J|  K|  L|  ;|  '| Ent| |CONTI| |  4|  5|  6| * |                                 
 * |-------------------------------------------------------| `-----' |---------------|                                 
 * |Shift   |  Z|  X|  C|  V|  B|  N|  M|  ,|  .|  /|Shift |         |  1|  2|  3| - |                                 
 * |-------------------------------------------------------' ,-----. |---------------|                                 
 *              |           Space               |            |EXECU| |  0| . | , | + |                                 
 *              `-------------------------------'            `-----' `---------------'                                 
 *                                                                                                                     
 *       34 36 38 40 42    44 46    50 52 54      60 62 64 66                                                          
 *       3A 3C 3E 48 4A    4C 4E    56 58 5A      68 6A 6C 6E                                                          
 *                                                                                                                     
 * 0C A0 A2 A4 A6 A8 AA AC AE B0 B2 B4 B6 5C  70  98 9A 9C 9E                                                          
 * 32 D0 D2 D4 D6 D8 DA DC DE C8 CA B8 BA     5E  90 92 94 96                                                          
 * 30 E0 E2 E4 E6 E8 EA EC CC CE BC BE 72     74  88 8A 8C 8E                                                          
 * 0A F0 F2 F4 F6 F8 FA EE C0 C2 C4 0A            80 82 84 86                                                          
 *                C6                          76  78 7A 7C 7E                                                          
 *                                                                                                                     
 */

MMcM's HP-HIL Converter

https://deskthority.net/viewtopic.php?p=465428#p465428

https://github.com/MMcM/qmk_firmware/tree/mmcm/keyboards/converter/hp_hil

NOTES

Pull-up resistor

Microcontroller which has external 1K Ohm pull-up resistor didn't work with HP 98203C.

HP HIL device has 1K Ohm registers on signal lines in series and can't drive the line through the resistor if Converter has strong pull-up resistor. ATmega32u4's internal pull-up works.

Clone this wiki locally