-
Notifications
You must be signed in to change notification settings - Fork 7
Tutorial: Node Assembly
This tutorial provides step-by-step instructions for constructing and programming the sensor node. In Section 1, instructions for preparing the enclosure are given. Section 2 provides instructions for preparing the solar panel mount. Section 3 provides instructions for preparing the solar charge controller. Section 4 provides instructions for preparing the central breakout board and the Maxbotix sensor. Section 5 provides instructions for assembling the complete node using the components prepared in Sections 1-4. With the exception of Section 5, all preceding tasks can be completed in parallel.
In this step, the rim of the enclosure will be drilled to accommodate the solar panel mount. The locations of the rim holes will first be marked using a set of calipers and a drawing utensil.
-
Place the enclosure on a tabletop with the lid facing towards you and the latch facing left. Place the calipers such that the jaws of the calipers grip the left and right sides of the rim with the rule lying flat across the top of the rim. Measuring from the latch side, make vertical marks on the rim at 1 1/8'' and 4 1/8''.
-
Next, turn the enclosure over, such that the lid is facing away from you and the latch is on the left hand side. Again, measuring from the latch side, use calipers to make vertical marks at 1 1/8'' and 4 1/8''.
-
For each of the four marked locations, mark a horizontal line 1/4'' from the bottom of the rim (i.e. 1/4'' from the edge of the rim closest to the body of the enclosure). The point where the vertical and horizontal lines intersect represent the drill hole locations.
-
After marking the drill hole locations, use a 1/8'' drill bit to drill each of the four rim hole locations.
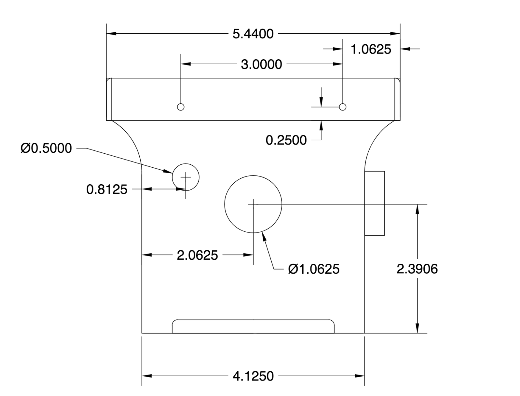
In this step, the holes for the cable glands and sensors will be drilled into the bottom of the enclosure. Depending on how many sensors are used, the number of drill holes may change. For this example, we will drill one gland hole (for the solar panel power cable), and one large hole for mounting the maxbotix sensor. This step may be made easier by preparing a "drill jig" using a metal plate.
(Case views) Schematics show bottom and side views of the enclosure with relevant dimensions. The bottom view shows the locations of the rim screw holes (1/8'' drill bit), the gland hole (1/2'' drill bit), and the hole for the Maxbotix depth sensor (1 1/16'' hole saw arbor).
Prepare a drill jig that templates the location of the sensor and gland holes. Place the jig flush with the bottom face of the enclosure, such that the bottom edge of the jig is resting on the "foot" of the enclosure, and the lateral edges of the jig align with the seams of the enclosure. The center points of the drill holes can now be marked using the jig as a template.
- Place the enclosure on a tabletop with the lid facing up and the latch on the right side. Using the drill jig, mark the center points of each drill hole location.
- Drill a pilot hole at each center point using a 1/8'' drill bit.
- Use a 1/2'' drill bit to drill the hole for the PG7 glands.
- Next, use a 1 1/16'' drill bit to drill the hole for the ultrasonic depth sensor.
- Fasten the PG7 glands to their corresponding holes.
After drilling, the enclosure should appear as in the image below.
In this step, the solar panel mount will be constructed by drilling and bending a 5 x 18'' stainless steel sheet, and the solar panel will be attached to the mount.
(Solar panel mount) Schematic shows the solar panel mount before cutting and bending. The hatched portion is cut from the final mount. TODO: LATERAL DIMENSIONS OF INNER SCREW HOLES ARE WRONG!
-
Using a permanent marker, mark the fold lines and drill holes on the steel mounting plate according to the solar panel mount schematic. The uppermost fold line should be drawn 1'' from the top edge of the plate, while the bottom fold line should be drawn 9 3/4'' from the top edge of the plate.
-
Drill hole locations can be indented into the surface of the plate using a center punch or a hammer and chisel.
-
After marking all of the holes and fold lines on the steel plate, use a 3/16'' drill bit to drill the screw holes.
-
Drill the cable hole using a 1 1/16'' hole saw arbor.
-
The mounting plate will now be bent into shape using a bending brace and a set of C-clamps.
-
Fasten the mounting plate to the bending brace using two C-clamps.
-
With the marked side of the mounting plate facing up, align the upper fold line with the edge of the bending brace.
-
Bend the plate upwards along the upper fold line.
-
- Repeat this process with the bottom fold line.
- After bending, trim the extra material from the bottom of the mounting plate using a saw or a set of tin snips. Extra material is indicated by the hatched region in the solar panel mount schematic).
- Fasten the solar panel to the mounting plate’s four central screw holes using four 4-40 thread size toothed hex nuts. The solar panel’s power cable should be brought through the central 1 1/16'' hole.
- Open the lid of the enclosure and place four screws in the rim, using the screw holes drilled beforehand. The head of the screws should be on the inside of the lid.
-
Close the lid of the enclosure.
-
Fasten the screws on the upper rim to the screw holes on the upper face of the solar panel mount using hex nuts (with the hex nuts on the outside of the lid).
-
Next, fasten the screws on the bottom side of the rim to the lower face of the solar panel mount using hex nuts.
The solar panel mount should now be attached to the enclosure.
(Panel mount views) Left: Solar panel mount after bending. Right: Panel mount on enclosure
In this step, the solar charging system (including the battery, solar panel, and charge controller) is assembled and attached to the enclosure. The completed solar charger (without battery) can be seen below.
- Solder the capacitor to the solar charge controller, taking care to match polarities.
- Attach one of the 2-pin JST connectors to the load terminal of the solar charge controller.
- Solder the battery's power cables to another 2-pin JST connector.
- Cover the soldered ends of the battery's power cable with heat-shrink tubing to ensure that no uninsulated cable is exposed.
- Cut the end off of the solar panel power cable and strip the end of the wire.
- Pull the power cable through the cable gland nearest to the hinge on the bottom of the enclosure. If the power cable does not fit snugly in the PG7 cable gland, heat shrink tubing can be used to increase the thickness of the cable.
- After pulling the power cable through the gland, attach the negative and positive ends of the wire to the 2.1mm plug-to-screw terminal block.
In this step, the breakout board and the Maxbotix depth sensor will be assembled. The assembled breakout board with the cellular module, solar charger and depth sensor attached can be seen below.
-
On the back side of the board, solder a jumper cable between the ''JP3 VDD'' pin and the ''V_TELIT'' pin.
-
Connect the PCB antenna to the connector on the bottom side of the Telit cellular module.
-
Attach the Telit cellular module to its corresponding connector on the breakout board.
-
Solder three wires to the Maxbotix sensor.
- Solder a white wire to Pin 3 on the Maxbotix depth sensor (analog signal output).
- Solder a red wire to Pin 6 (the positive power pin, V+).
- Solder a black wire to Pin 7 (the DC return pin, GND).
In this step, the components prepared in the previous steps are combined to form the complete sensor node: (i) components are mounted to the enclosure, (ii) sensors are connected to their corresponding pins on the breakout board, (iii) power cables are connected, and (iv) the microcontroller is programmed with the firmware.
-
Tidy up the inside of the enclosure
-
Cut three 3-inch strips of hook and loop tape.
-
Place the loop tape on the left, right and top sides of the inside of the enclosure.
-
Attach one 3-inch strip of hook tape to the battery and fasten the battery to the right side of the inside of the enclosure.
-
Attach a small piece of hook tape to the backside of the solar charge controller (on the side opposite the capacitor) and attach the charge controller to the left side of the inside of the enclosure.
-
Place a small piece of hook tape on the PCB antenna and attach it to the left side of the inside of the enclosure.
-
-
Connect the Maxbotix depth sensor
-
Attach the Maxbotix depth sensor to its corresponding hole in the bottom of the enclosure. The toroidal O-ring should be placed on the threads of the Maxbotix depth sensor on the outside of the enclosure. The cylindrical O-ring should be placed on the threads of the Maxbotix depth sensor on the inside of the enclosure.
-
Fasten the Maxbotix depth sensor in place using the 3/4" lock nut.
-
Connect the Maxbotix analog signal cable (white) to the pin on the breakout board labeled ''P12.3''.
-
Connect the Maxbotix power cable (red) to the pin labeled ''VDD3 P12.4''.
-
Connect the Maxbotix ground cable (black) to a pin labeled ''GND''.
-
-
Connect the solar charger to the node components.
-
Connect the solar panel power cable to the solar charge controller's DC jack.
-
Using the 2-pin JST connector, connect the load terminal of the charge controller to the breakout board's power terminals.
-
Using the other 2-pin JST connector, attach the battery's power cables to the battery terminal of the solar charge controller.
-
-
Prepare the board for use.
-
Screw the breakout board to the four holes located on the bottom of the inside of the enclosure using four 8--32 x 3/8'' phillips head machine screws.
-
Using a PSoC programmer, flash the breakout board with the provided firmware.
-
If the device is assembled and programmed correctly, a blue LED should begin flashing to indicate that the device is awake. After the LED flashes, the board will begin to transfer data to an influxDB database specified in the device firmware.





















